Call Us: 01782 747782
Free UK Shipping Over £50 & Easy Returns


Free UK standard shipping on orders over £50
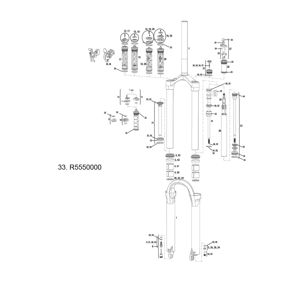
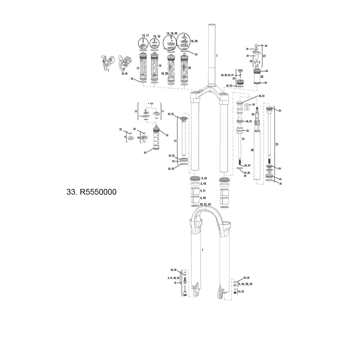
RockShox Revelation full service kit fits dual air and motion control DNA fork. Kit include O-rings, glide rings, air valve caps, air valves, c-clips, bottom out bumpers, crush washer. Intended for more detailed service work but does not include main fork seals or wipers. Kit is for servicing one fork.