Call Us: 01782 747782
Free UK Shipping Over £50 & Easy Returns


Free UK standard shipping on orders over £50
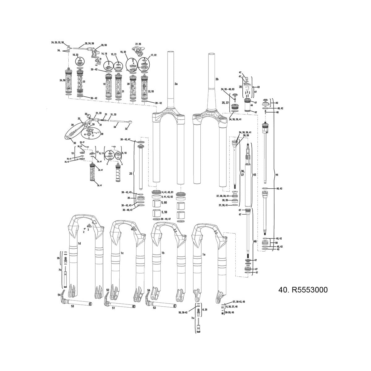
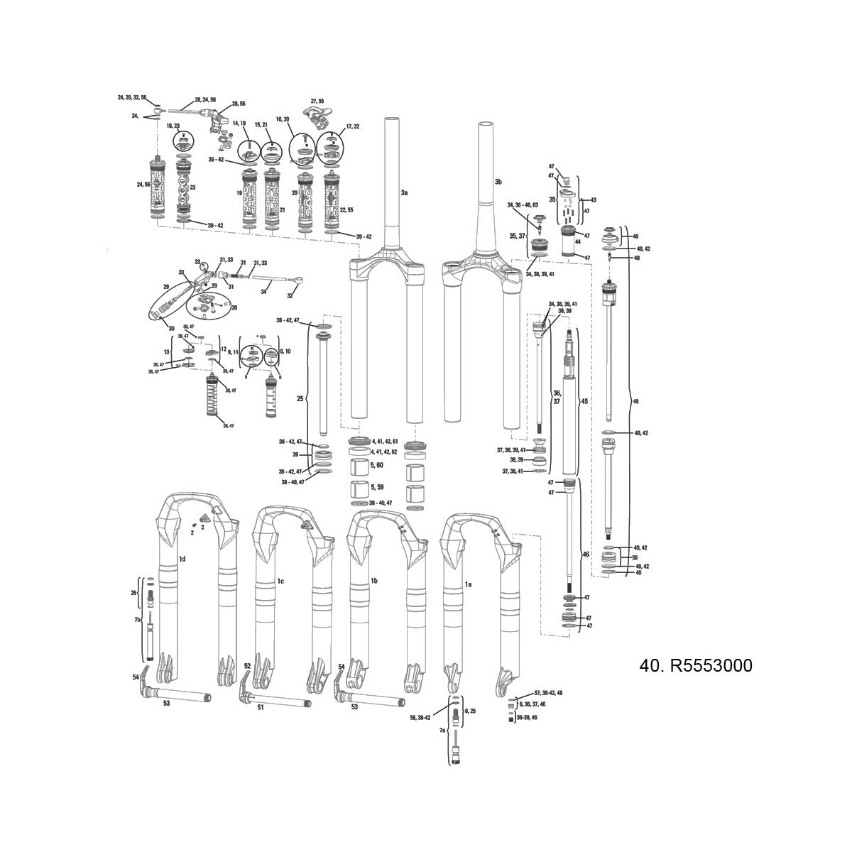
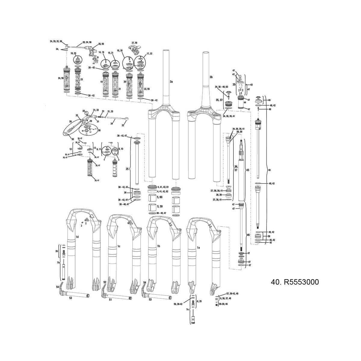
RockShox Revelation full service kit fits dual position air and motion control fork. Kit include O-rings, glide rings, air valve caps, air valves, c-clips, bottom out bumpers, crush washer. Available and included with all AM RockShox forks, except XC28, XC30, XC32. Not include dust wipers (main seals) or bushings. Kit is for servicing one fork.