Call Us: 01782 747782
Free UK Shipping Over £50 & Easy Returns


Free UK standard shipping on orders over £50
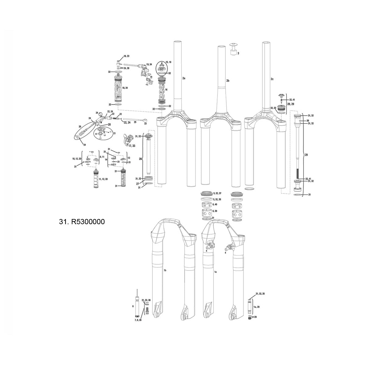
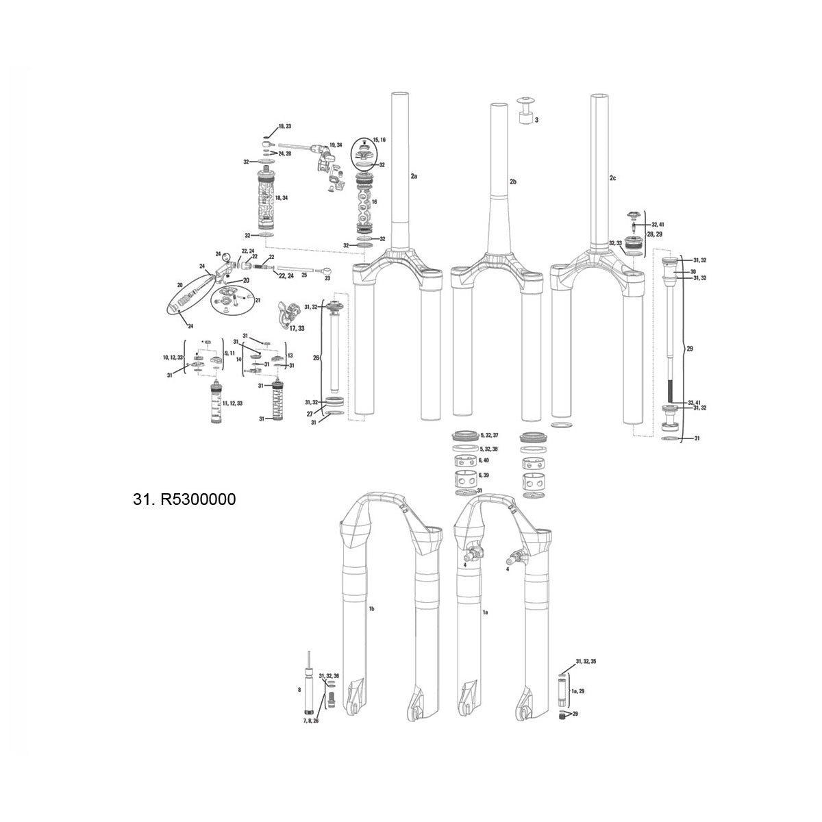
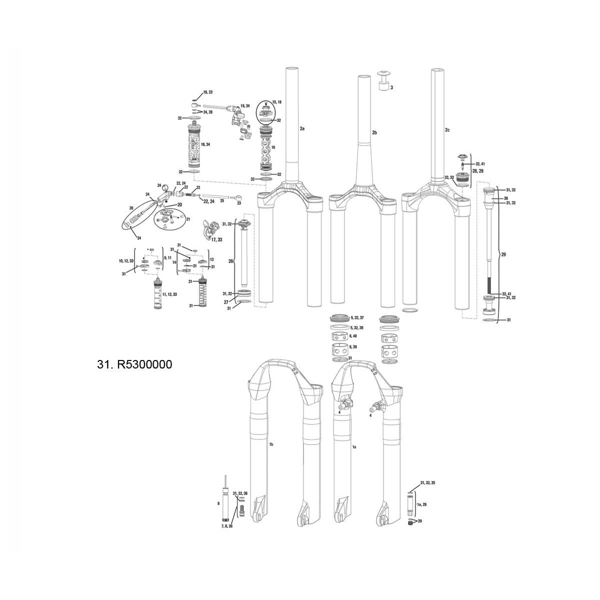
RockShox service kit fit for MotionControl DualAir Sid-A 32mm 08-12 model fork. kits includes expanded damper and spring parts, bolt, nut, crush washers, c-clips and air valves. Intended for more detailed service work but does not include main fork seals/wipers. Kit for servicing one fork.